Будьте всегда в курсе!
Узнавайте о скидках и акциях первым
Наши специалисты с радостью ответят на любой интересующий Вас вопрос.
Раздел не найден.
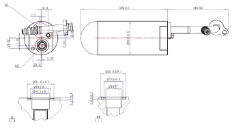
Ресивер вертикальный алюминиевый 348ммх80мм, PAD, для VOLVO
Артикул:
17-2795
Ресивер вертикальный алюминиевый 348ммх80мм, PAD, для VOLVO
Подробнее
4 640 руб./шт
-
+
Розничная цена. Оптовых клиентов просим обратиться в отдел продаж
- Описание
- Характеристики
-
ОписаниеПрименимость:
VOLVO
Стандарт:
Номер:
Ресивер или ресивер-осушитель - это компонент климатической системы, который используется в автомобильных и других типах кондиционеров и рефрижераторов. Представляет собой металлический резервуар с портами для подключения фреонопроводов.
Зачастую обладает дополнительными портами для датчика давления и смотровым окном.
Ресивер выполняет несколько важных функций:
- Служит для хранения и «успокоения» жидкого хладагента, который затем распределяется по системе.
- Зачастую оснащён фильтром-осушителем, который удаляет влагу и загрязнения из системы, предотвращая повреждение компрессора.
Ресивер является важной частью системы и требует регулярной и своевременной замены для обеспечения эффективной работы.
Ресиверы TITAN применяются и сочетаются с компонентами кондиционеров, рефрижераторов, моноблоков, сплит-систем известных брендов:
Bock (Бок)
Фрост (Frost)
Dyne (Дайне)
Valeo (Валео)
Denso (Денсо)
Zexel (Зиксел)
Элинж (Elinje)
Фридж (Fridge)
Август (August)
Delphi (Делфай)
Unicla (Уникла)
Delphi (Делфай)
Sanden (Санден)
Zanotti (Занотти)
Carrier (Карриер)
Глейско (GlaceCo)
Юг-Фрост (Yugfrost)
Климатик (Climate-K)
H-Thermo (Аш Термо)
Автохолод (autoholod)
ТерраФриго (TerraFrigo),
ТермоКинг (ThermoKing)
Транскулер (Transcooler)
Глобал Фриз (Global Freeze)
Термомастер (Thermomaster)
Alex Original (Алекс Ориджинал)
Thermal Master (ТермалМастер)
Dongin Thermo (Донджин Термо)
Райм Инжиниринг (Rime Engineering)
Заказать товар можно:
- в нашем интернет-магазине titan-nn.ru
- отправив заявку на электронную почту titan-order@mail.ru
- по телефонам:
+7 (831) 423-91-33
+7929-053-91-33
+7910-057-52-52
- с помощью мессенджеров и социальных сетей
- при личном визите в офис -
Характеристики
Длина ресивера/ фильтра, мм. 348 Длина резервуара, мм. 205 Диаметр резервуара, мм. 80 Вход PAD (фланцевое) Выход PAD (фланцевое) Тип соединения PAD (фланцевое) Кол-во в упаковке 25









































































